09 октября
Литые трансформаторы тока SACI
Основные технические характеристики литых трансформаторов тока серии TU-R...
| Модели | TA30R | TA60R | TA80R | TA100R | TA125R | TA160R |
|---|---|---|---|---|---|---|
| Шина | 30x20 | 60x30 | 80x50 | 100x80 | 125x80 | 160x80 |
| Кабель | Ø 20 | Ø 30 | Ø 50 | Ø 80 | Ø 80 | Ø 80 |
| Класс | 0,5 1 3 | 0,5 1 3 | 0,5 1 3 | 0,5 1 3 | 0,5 1 3 | 0,5 1 3 |
| Номинальный
ток (A) | Мощность (ВА) | |||||
| 100 | 3
| |||||
| 150 | 3,75 | |||||
| 200 | 2,5 4 | |||||
| 250 | 3,75 5 | 1 2,5 3,75
| 1 2,5 3,75 | 1 2,5 3,75 | ||
| 300 | 2,5 4 6 | 2 3,75 5 | 2 3,75 5 | 2 3,75 5 | ||
| 400 | 3,75 5 10 | 2,5 3,75 7,5 | 2,5 3,75 7,5 | 2,5 3,75 7,5 | ||
| 500 | 3,75 5 15 | 3,75 5 15 | 3,75 5 15 | 1,2 5 7,5 | ||
| 600 | 5 7,5 20 | 5 7,5 20 | 5 7,5 20 | 1,2 5 7,5 | ||
| 750 | 7,5 10 20 | 7,5 10 20 | 7,5 10 20 | 5 10 20 | 5 10 20 | |
| 800 | 7,5 10 20 | 7,5 10 20 | 7,5 10 20 | 7,5 10 20 | 7,5 10 20 | |
| 1000 | 10 15 20 | 10 15 20 | 10 15 20 | 10 20 30 | 10 20 30 | |
| 1200 | 15 20 30 | 15 20 30 | 15 20 30 | |||
| 1500 | 15 20 30 | 20 30 45 | 20 30 45 | |||
| 2000 | 20 30 45 | 25 30 45 | 25 30 45 | |||
| 2500 | 25 30 45 | 25 30 45 | ||||
| 3000 | 30 45 60 | 30 45 60 | ||||
| 4000 | 30 45 60 | |||||
| 5000 |
30 45 60 | |||||
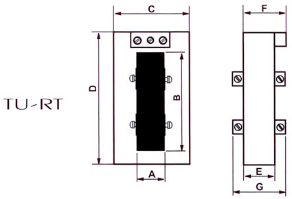
Размеры литых трансформаторов тока серии TU-R…
| Модель | A | B | C | D | E | F |
|---|---|---|---|---|---|---|
| TA30R | 32 | 22 | 100 | 9 0 | 99 | 109 |
| TA60R | 62 | 32 | 130 | 100 | 109 | 139 |
| TA80R | 82 | 52 | 150 | 120 | 129 | 159 |
| TA100R | 104 | 82 | 172 | 150 | 159 | 181 |
| TA125R | 127 | 82 | 195 | 150 | 159 | 204 |
| TA160R | 162 | 82 | 230 | 150 | 159 | 239 |
| Модель | A | B | C | D | E | F | G |
|---|---|---|---|---|---|---|---|
| TU100RT | 22 | 101 | 83 | 145 | 40 | 55 | 66 |
| TU125RT | 38 | 127 | 97 | 170 | 40 | 55 | 66 |











